乐动游戏平台为您释疑:防火门门扇高度、宽度、厚度、门框内裁口宽度、门框侧壁宽度等的允许尺寸公差、测量方法、测量标准量标准
一.门扇高度(H):
采用钢卷尺测量,测量位置为距门扇两竖边各50 mm处,见下图所示的A-A和A′-A′位置。检测值与产品设计图示门扇高度值相减,结果取其极值。
门扇高度测量位置示意图
二.门扇宽度(W):
采用钢卷尺测量,测量位置为距门扇上两横边各50 mm处,见下图所示的B-B和B′-B′位置。检测值与产品设计图示门扇宽度值相减,结果取其极值。
门扇宽度测量位置示意图
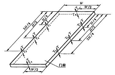
三.门扇厚度(T):
采用游标卡尺测量,测量位置见下图中T1、T2、T3……T8所标定的位置[注:遇锁具、合页(铰链)处相应避开50 mm],检测值与产品设计图示门扇厚度值相减,结果取其极值。
门扇厚度测量位置示意图
四.门框内裁口高度(H′):
采用钢卷尺测量,分别测量门框内裁口的左竖边和右竖边,见下图所示C-C、C′-C′。检测值与产品设计图示门框内裁口高度值相减,结果取其极值。
门框内裁口高度测量位置示意图
五.门框内裁口宽度(W′):
采用钢卷尺测量,测量位置见下图所示的D-D、D′-D′、D″-D″。检测值与产品设计图示门框内裁口宽度值相减,结果取其极值。
门框内裁口宽度测量位置示意图
六.门框侧壁宽度(T′):
采用游标卡尺测量,测量位置见下图所示的T1′、T2′、T3′……T6′。检测值与产品设计图示门框侧壁宽度值相减,结果取其极值。
门框侧壁宽度测量位置示意图
防火门其他相关检查和试验:
材料检验(填充材料、木材、人造板、钢材、其他材质材料、粘结剂)、 配件检验(防火锁、闭门器、合页(铰链)、顺序器、插销、盖缝板、密封件、玻璃)、 形位公差检查(两对角线长度、扭曲度、弯曲度)、 配合公差检查(搭接尺寸、间隙、门框与门扇的平面高低差)、 防火门灵活性、可靠试验、 耐火性能试验、
来源:GB 12955-2008 防火门 >>>
点此前往:防火门认证代理>>>
点此前往:防火门消防产品自愿性认证 操作详情>>>
