乐动游戏平台为您释疑:防火门门扇两对角线长度差,防火门门扇扭曲度,防火门门扇宽度(高度)方向弯曲度,防火门门框内裁口两对角线长度差,防火门测量标准
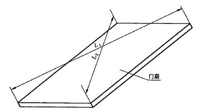
一.门扇两对角线长度差|L1-L2|
采用钢卷尺测量(见图1)。
图1 门扇对角线长度测量位置示意图
二.门扇扭曲度(D):
1.试验设备:
平台、三个顶尖、高度尺。平台的尺寸不应小于1m×2m。
2.试验步骤:
(1)在门扇正反两面的四个角处分别标出四个测点,如一面为P1、P2、P3和P4测点,则另一面为对应的P1′、P2′、P3′和P4′测点,每个测点距门扇横边和竖边的距离均为20 mm。三个顶尖分别放在门扇的三个任意测点处(P1、P2和P3)将门扇顶起,如图2所示。用高度尺测量第四个测点P4与平台的距离h1。
(2)将门扇反转180°,按上一步的位置和方法测定平台至P4′的距离h2。
(3)门扇扭曲度D按式(1)计算:
D = | h2–h1 | / 2 ·······················(1)
式中:
D——门扇扭曲度,单位为毫米(mm);
h1——平台至测点P4的距离,单位为毫米(mm);
h2——平台至测点P4′的距离,单位为毫米(mm)。
图2 门扇扭曲度测量示意图
三.门扇宽度(高度)方向弯曲度B1(B2)(见图3、图4)
1.试验设备:
平台、四个顶尖、游标卡尺、尼龙线、吊线锥。平台的尺寸应不小于1 m×2 m。
2.试验步骤:
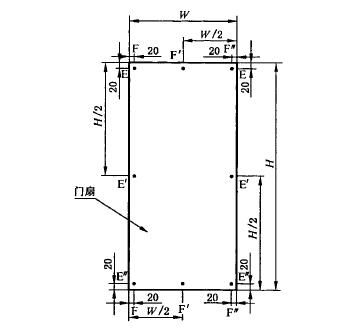
(1)将门扇平放在平台的四个顶尖上,顶尖距门扇横边和竖边的距离均为20 mm,将两端带有吊线锥的细尼龙线横跨于门扇宽度(高度)上,如图5所示。用游标卡尺的深度尺在规定测量位置量出高度值,即为该规定测量点的弯曲度值。测量位置见图6所示的E-E(F-F)、E′-E′(F′-F′)和E″-E″(F″-F″)的中点。
(2)门扇反转180°,测定门扇另一面的弯曲度值,测量位置和测量方法同6.8.3.2.1。
(3)门扇宽度(高度)方向弯曲度值,取测量结果的极值h3(h4)。
(4)门扇宽度(高度)方向弯曲度按式(2)计算:
B1(B2)= h3(h4)/ W(H)×1000···················(2)
式中:
B1——门扇宽度方向弯曲度,单位为千分之一(‰);
B2——门扇高度方向弯曲度,单位为千分之一(‰);
h3——门扇宽度方向弯曲度值,单位为毫米(mm);
h4——门扇高度方向弯曲度值,单位为毫米(mm);
W——门扇宽度,单位为毫米(mm);
H——门扇高度,单位为毫米(mm)。
注:括号内计算门扇高度方向弯曲度。
图3 门扇高度方向弯曲度示意图
图4 门扇宽度方向弯曲度示意图
图5 门扇弯曲度测量示意图
图6 门扇高度(宽度)方向弯曲度测量位置示意图
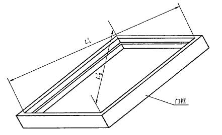
四. 门框内裁口两对角线长度差| L1′-L2′|:
采用钢卷尺测量(见图7)。
图7 门框内裁口对角线长度测量位置示意图
防火门其他相关检查和试验:
材料检验(填充材料、木材、人造板、钢材、其他材质材料、粘结剂)、 配件检验(防火锁、闭门器、合页(铰链)、顺序器、插销、盖缝板、密封件、玻璃)、 尺寸公差检查(门扇高度、门扇宽度、门扇厚度、门框内裁口高度、门框内裁口宽度、门框侧壁宽度)、 配合公差检查(搭接尺寸、间隙、门框与门扇的平面高低差)、 防火门灵活性、可靠试验、 耐火性能试验、
来源:GB 12955-2008 防火门 >>>
点此前往:防火门认证代理>>>
点此前往:防火门消防产品自愿性认证 操作详情>>>
